Notice

This multimedia story format uses video and audio footage. Please make sure your speakers are turned on.

Use the mouse wheel or the arrow keys on your keyboard to navigate between pages.

Swipe to navigate between pages.

Let's go

multimedia.esci.12_uses_of_LIPSS

Logo https://esci.pageflow.io/multimedia-esci-12_uses_of_lipss

INTRO


Regarded as a side effect of laser technology for decades, they are increasingly in the spotlight:
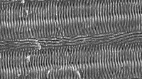
Laser-induced periodic surface structures (LIPSS)

These microscopic patterns can form on the surface of almost any material when irradiating it with ultra-short laser pulses. 





Goto first page
0:00
/
0:00
Start video now
Goto first page
Versatile structures can be created by varying, for instance, wavelength and pulse duration to generate functionalised surfaces with different properties.

LIPSS possess great application potential in many industries including the biomedical and energy sectors. Keep scrolling to learn more about 12 uses of LIPSS you had never imagined!
Goto first page

10 uses of LIPSS

The well-known Lotus effect is created by nano-scopic structures on the leaves' surface.
These structures can be generated through ultra-short laser pulses to mimick the anti-wetting properties on glass or metallic surfaces for self-cleaning windows and windshields or to reduce corrosion and stiction in machinery.
Goto first page
Icing is a problem for aircrafts. Their wings, propellers and other mechanical parts can be impaired by freezing water droplets.




Goto first page
Inspired by the self-cleaning properties of the Lotus plant, researchers from Dresden University of Technology and Airbus Central Research and Technology combine LIPSS and other nano-structures to create water repellent surfaces. This will make de-icing a thing of the past.
Goto first page
Self-cleaning surfaces are attracting attention from other areas, too. They can help to retain the shiny look of touch screens, automotive parts or optical lenses.

For this to work, so-called amphiphobic surfaces must be created, for instance, through LIPSS. Such surfaces then repel both water and skin oil, the two main components of fingerprints.    
Goto first page
LIPSS generated amphiphobic surfaces could also find application in extracorporal membrane oxygenators. These medical machines circulate a patient's blood removing the carbon dioxide and oxygenizing it. An amphiphobic layer on the membrane can prevent blood cells from clogging it and hence device failure.
Goto first page
As far as theory goes, the strength with which bacteria adhere to surfaces grows with the available surface area. Taking that idea further: Nano-structures such as LIPSS can limit contact points for microbes and hence their ability to proliferate.

In practice, it is challenging to get all the conditions just right for that to happen and not the opposite. However, initial research shows the potential of ultra-short pulsed laser technology to create antibacterial surfaces.
Goto first page
The healing process after receiving a prosthetics pin depends on its surface characteristics and how the surrounding tissue responds to it.
Goto first page
Hence, LIPSS do not only inhibit cell attachment but also foster it; it all depends on the surface pattern.

The multi-laser beam module developed by Laser4surf creates functionalised surfaces to facilitate exactly that:
Quicker and better attachment of cell tissue to the implant for faster recovery.
Goto first page
Every Li-ion battery has a current collector on either end:
One copper coated, the anode, and one aluminium coated, the cathode. They store the lithium ions and release them during battery operation for electricity to flow.
Goto first page
Through laser engraved LIPSS on their surface, the current collectors can store more Li-ions, which results in an increased electricity flow. These modifications also prevent battery overheating and increase the battery life cycle by up to 30%.  

Additionally, laser engraving circumvents expensive carbon coating methods and harmful etching processes, which are applied during the manufacturing of current collectors.
Goto first page
The surface of a light bulb’s incandescent filament can be increased through LIPSS. With a greater surface area, the filament absorbs more energy and thus emits more light.

Scientists have also demonstrated that LIPSS can increase the power output of Gallium-nitride-based LEDs by 30%; which are diodes used in displays and traffic lights.
Goto first page
Thin-film silicon solar cells can be mounted on non-planar surfaces of vehicles or on the canvas of boats and tents. Their light weight and flexibility allow more freedom in installation than conventional photovoltaic modules but they are less efficient. Surface structures such as LIPSS on their component layers can enhance their efficacy in two ways.
Light incoupling: LIPSS ensure more light enters the module.
Light trapping: The captured light stays in the cell for longer.
Goto first page
Not pigments, but microscopic surface structures give butterfly wings their bright, iridescent colours. This so-called structural colour is a physical phenomenon created through reflection of specific wavelengths. Structural colour does not experience bleaching and can shift in hue or fade with changing position.
Goto first page





Structural colour on a stainless steel surface.

The colours are created by periodic, microscopic patterns engraved on the surface through laser texturing. By varying the period of the nano-structures, the textured surface reflects different wavelengths and produces different colours. This can be achieved with LIPSS too.

The colours change in hue with the viewing angle when the spacing between the ripples is constant (a) and they appear homogenous when ripples vary in period spacing (b). However, when mixing different variable period spacings, light is reflected non-specifically and appears white (c).
  















Goto first page
LIPSS can also be used to create surfaces that reflect no light at all. This helps to improve optoelectronic devices which convert light into energy or electronic data, or vice versa. Such devices find application in telecommunication and medical equipment like PCR machines made famous by the COVID-19 test.  During the PCR, optoelectronic devices detect the light impulses emitted from „DNA reading“ and convert them into DNA sequence information.

Qualitative anti-reflective surfaces ensure better transmission and contrast of the light signal and hence play an important role for the performance of optoelectronic devices.

 
Goto first page
LIPSS can improve other high precision machines such as linear encoders. These measurement devices provide position information to a mind-boggling array of applications. They ensure accurate positioning of antennas for the aerospace industry, and help to assemble automotive parts during automated manufacturing with precision.
Goto first page




Scientists from the Laser4surf project introduce LIPSS onto the encoder's scale to obtain a finer grid. Compared to conventional devices, the light signal reflected onto the detector is sharper and higher in contrast.

This enhances the encoder's precision and makes the device less sensitive to disturbances, like vibrations.
Goto first page


All these innovative applications require different processing parameters to generate the desired, unique pattern. Additionally, texturing surfaces at sub-micron level is time-consuming and expensive. Laser4Surf seeks to overcome this and bring laser texturing to mass production. The researchers and engineers will design a single machine to carry out all the necessary production steps: defining the required parameters, processing the surface and inspecting the product.



Goto first page
Goto first page
Scroll down to continue Swipe to continue
Swipe to continue